Download Images Library Photos and Pictures. Diagram Star Delta Compressor Wiring Diagram Full Version Hd Quality Wiring Diagram Adhocdatabase Chagny Se Transforme Fr Star Delta Connection Diagram With Control And Power Circuit Diagram In English Youtube Compressure Control Wiring With Pressure Switch Youtube Problem In Star Delta Starter In Air Compressor Electrical Engineering Stack Exchange
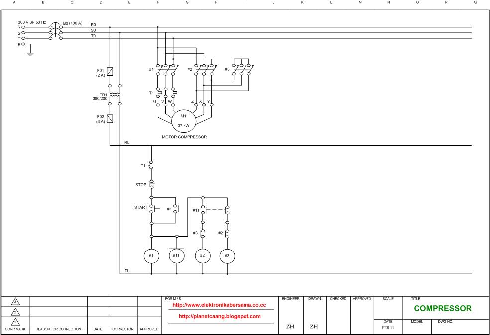
To reduce inrush current electric current of early motion that can reach 200 to 300 of normal current when the motor will rotate the system needs to be made such a wiring diagram star triangle star delta switching as shown by the picture below. It shows the components of the circuit as simplified shapes and the capability and signal connections amongst the devices.

. Diagram Wiring Diagram Star Delta Connection Motor Full Version Hd Quality Connection Motor Booki9 Webcocare It Diagram Star Delta Compressor Wiring Diagram Full Version Hd Quality Wiring Diagram Jokediagram Trodat Printy 4922 Fr Https Climate Emerson Com Documents Starting Methods Unloaded Start For Semi Hermetic Compressors Technical Information En Gb 4229052 Pdf
Delta Wiring Diagrams Three Battery Selector Switch Wiring Diagram Begeboy Wiring Diagram Source
Delta Wiring Diagrams Three Battery Selector Switch Wiring Diagram Begeboy Wiring Diagram Source Click to enlarge electric parts needed for the wiring above.
. Automatic star delta starter with timer for 3 phase ac motors. Star delta wiring diagram electrical engineering updates. Above diagram shows v1 and v2 connected to the same phase through the main contactor and delta contactor.
Star delta starter is a common used in domestic and industry sector to drive variant application such as chiller water pumpmachineryair compressor and many more equipment. I studied the star delta starter from this link. But this diagram does not match my real wiring.
Breaker 100 a 1 pc 2. What is the correct wiring scheme. Wiring diagram of star delta motor starter wiring diagram dash.
The on delay timer diagram is also shown in the diagram. Control wiring diagram for star. Here will see the practical star delta starter wiring diagram.
Beim umschalten wird dann nur noch der dreieckstrom benoetigt der der aktuellen drehzahl entspricht. Transformer step down 380 v 220 v 3 a 1 pc. This is a big advantage of a star delta starter as it typically has around 13 of the inrush current compared to a dol starter.
In this tutorial we will show the star delta y d 3 phase induction ac motor starting method by automatic star delta starter with timer with schematic power control and wiring diagram as well as how star delta starter works and their applications with advantages and disadvantages. It describes the connection of a motor connection as in following diagram. As we have already shared the star delta y d 3 phase motor starting method by automatic star delta starter with.
How to work star delta starter star delta daigram star. What i have given in this wiring diagram the same will be used in many industrial. Solved how do i connect he differenial pressure switch fixya.
Control wiring of star delta starter with diagram wiring diagram is a simplified adequate pictorial representation of an electrical circuit. But high load 3 phase motor we use the star delta starter for motor control. Star delta starter wiring diagram this post is about the main wiring connection of three phase motor with star delta starter and control wiring diagram of star delta starter.
Star connection in a 3 phase system relation between phase. A 8 pin timer are used. So this time i want share my simple star delta circuit diagram completed with power and control line circuiti hope it can be as basic reference for all electrician about star delta starter diagram.
For three phase motor we use the direct online starter but mostly for small three phase motor. It seems to be wrong. A star delta starter is a type of reduced voltage starterwe use it to reduce the starting current of the motor without using any external device or apparatus.
A wiring diagram usually gives opinion practically the relative direction and contract of devices and terminals upon the devices. Die stern dreieck anlaufschaltung englisch star delta yd ac motorwye delta wird eingesetzt um den anlaufstrom eines asynchronmotors in dreieckschaltung zu begrenzendabei wird der motor in der sternschaltung auf drehzahl gebracht. Wiring diagram of star delta motor starter wiring diagram dash.
Star Delta Starter Control Wiring Auto Star Delta Starter Yk Electrical Youtube
Star Delta Starter Wiring Diagram
Wye Start Delta Run Wiring Diagram Air Compressor 1998 Bmw 318ti Fuse Box Wiring Diagram Dumble Kankubuktikan Jeanjaures37 Fr
Star Delta Starter Y D Starter Power Control Wiring Diagram Circuit Diagram Electrical Circuit Diagram Delta Connection
Wiring Diagram All Star Wiring Diagram New Full Version Wiring Diagram Dcwiringsystems Sicilyultratour It
Star Delta Starter Explained In Plain English Electrical4u
Star Delta Starter Y D Starter Power Control Wiring Diagram Electrical Circuit Diagram Electricity Delta Connection
Motor Startup System Star Delta Air Compressor Guide
Using Star Delta Motor Control With Circuit Diagrams Turbofuture Technology
Star Delta Starter Explained In Plain English Electrical4u
Star Delta Starter Control Wiring Diagram With Explanation
Diagram Husky Air Compressor 230v Wiring Diagram Full Version Hd Quality Wiring Diagram Nidiagram Steir Maree Fr
Wiring Diagram All Star Wiring Diagram New Full Version Wiring Diagram Dcwiringsystems Sicilyultratour It
Delta Wiring Diagrams Three Battery Selector Switch Wiring Diagram Begeboy Wiring Diagram Source
Https Climate Emerson Com Documents Starting Methods Unloaded Start For Semi Hermetic Compressors Technical Information En Gb 4229052 Pdf
Schema Wiring Diagram For Star Delta Connection Full Hd Version Simplediagrams2 Kinggo Fr
Motor Startup System Star Delta Air Compressor Guide
10 Electric Motor Star Delta Wiring Diagram Wiring Diagram Wiringg Net In 2020 Electric Motor Electrical Circuit Diagram Air Compressor
Diagram Wye Start Delta Run Wiring Diagram Air Compressor Full Version Hd Quality Air Compressor Taylorraceengineering Article De Danse Fr
Diagram Star Delta Compressor Wiring Diagram Full Version Hd Quality Wiring Diagram Wiringsafe Techdays Wpc2008 It
Diagram Star Delta Compressor Wiring Diagram Full Version Hd Quality Wiring Diagram Jokediagram Trodat Printy 4922 Fr
Https Climate Emerson Com Documents Starting Methods Unloaded Start For Semi Hermetic Compressors Technical Information En Gb 4229052 Pdf
Diagram 3 Phase Square D Motor Starter Wiring Diagram Full Version Hd Quality Wiring Diagram Americanjobtrader Caraman Rugby Fr
Diagram Telemecanique D O L Starter Wiring Diagram Full Version Hd Quality Wiring Diagram Dngwiring Cometacomunicazioni It
Wiring Diagram Compressor Star Triangle Star Delta Switching System Electrostudy
Star Delta Wiring Diagram Refrigeration Air Conditioning
Star Delta Starter Control Wiring Diagram With Explanation
Diagram Wiring Diagram For Star Delta Connection Full Version Hd Quality Delta Connection Relayab Maremmagolfclub It
Komentar
Posting Komentar